專注聯軸器研發與制造 打造聯軸器行業領軍品牌
●夾殼聯軸器裝配和拆卸時軸不需軸向移動,所以裝拆很方便,夾殼聯軸器的缺點是兩軸軸線對中精度低,結構和形狀比較復雜,制造及平衡精度較低,只適用于低速和載荷平穩的場合,通常最大外緣的線速度不大于 5m/s ,當線速度超過 5m/s 時需要進行平衡校驗。
●夾殼聯軸器為了改善平衡狀況,螺栓應正、倒相間安裝。夾殼聯軸器不具備軸向、徑向和角向的補償性能。
●立式夾殼聯軸器的得特性與夾殼聯軸器近似,結構簡單,裝拆方便,適用于低速(最高圓周線速度為5M/S),無沖擊,振動載荷平穩的場合,宜用于攪拌器等立軸的聯接。
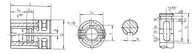
● 夾殼聯軸器是利用兩個沿軸向剖分的夾殼,用螺栓夾緊以實現兩軸聯接,靠兩半聯軸器表面間的摩擦力傳遞轉矩,利用平鍵作輔助聯接。
夾殼聯軸器是主要有以下幾點特點:
(1) 夾殼聯軸器重量輕,超低慣性和高靈敏度;
(2) 夾殼聯軸器免維護,超強抗油和耐腐蝕性;
(3) 夾殼聯軸器無法容許偏心,使用時應讓軸盡量外露;
(4) 夾殼聯軸器主體材質可選鑄鐵、鑄鋼,有腐蝕的情況下使用不銹鋼材質;
(5) 夾殼聯軸器固定方式有夾緊,頂絲固定;
(6) 夾殼聯軸器結構簡單,裝卸方便;


咨詢:夾殼聯軸器
* 為必填項